В 2026 году исполняется 110 лет создания речной флотилии Отдельной морской бригады особого назначения (ОМБОН), поэтому не лишне будет вспомнить об героях и катерах этого соединения, которые хорошо зарекомендовали себя на реках и озёрах Беларуси.
В детстве как многие я зачитывался статьями с журналов «Техника молодёжи» и «Моделист-Конструктор». Помню меня очень заинтересовала статья «БК-2 — Бронекатер революции»[1] и особенно чертежи этого кораблика.

Бронекатер фирмы «Муллинз». 1 — гнездо флагштока, 2 — киповая планка, 3 — утка, 4 — отличительный огонь. 5 — смотровая щель, 6 — пулемёт “Максим”, 7 — пулемётная башня, 8 — бойница с бронированной ставней, 9 — съёмный тент, 10 — 37-мм пушка Гочкиса, 11 — съёмный румпель, 12 — люк в румпельное отделение, 13 — горловина бензобака, 14 — гнездо флагштока, 15 — газовыхлоп, 16 — перо руля. 17 — гребной винт, 18 — ограждение гребного винта с валопроводом и кронштейном, 19 — туннель гребного винта, 20 — крышка рундука, 21 — броневая дверь в кубрик, 22 — опорный крюк, 23 — спасательный круг. Источник: журнал «Моделист-Конструктор» 1984, №4
Тогда я не знал, что судьба будет не раз меня сводить с этими корабликами постройки американской фирмы «Муллинз и К°» и их боевым применением в Беларуси.
В 2003 году проходя срочную службу в 52-м отдельном специализированном поискового батальоне МО Республики Беларусь на занятиях по поисковой подготовке археолог батальона Владимир Фёдорович Исаенко[2] демонстрировал пряжку нижних чинов российского императорского флота, которая была найдена в Мядельском районе Беларуси. Тогда думали, что она была утеряна земляком, служившим на флоте. Но сейчас можно говорить, что скорее всего она принадлежала моряку с Отдельной Морской бригады особого назначения. Позже мне ещё не раз показывали найденные в нашем регионе флотские пряжки и мундирные пуговицы.
Работая археологом в 52-м отдельном специализированном поисковом батальоне уже непосредственно узнал про использования этих бронекатеров в Беларуси.
В 2006 году я познакомился с сотрудником Российского Государственного Военно-исторического архива Игорем Вячеславовичем Карпеевым[3]. Именно от него посчастливилось узнать о боевом применении катеров на озере Нарочь летом 1916 года.
В сентябре 2007 года проходила Международная экспедиция по поиску бронекатера БКА-205. Бронекатер Пинской военной флотилии №205 относился к катерам постройки фирмы «Муллинз». Он погиб на Березине в районе Здудичей 26 июля 1941 года. Хотя я не принимал прямого участия в этой экспедиции, но интересовался её прохождением и итогами. Некоторые фото материалы этой экспедиции сохранились у меня, как и приведённые ниже.
Международная экспедиция по поиску бронекатера БКА-205
Сейчас можно купить сборную модель бронекатера «БК-2». Она производится фирмой «КАМПАС» в масштабе 1:72 и 1:48.
Изображение с упаковки, модели бронекатера «БК-2» которую выпускает фирма «КАМПАС»
Моделист Пузанов Андрей Павлович создал 3D модель бронекатера фирмы «Муллинз», и изготавливает её при помощи 3D печати в нескольких масштабах 1:87; 1:43 и 1:35. Андрей Павлович подарил модель бронекатера в масштабе 1:43 местному благотворительному культурно-историческому фонду памяти Первой мировой войны «Крокi».
Модель бронекатера «БК-2» переданная местному благотворительному культурно-историческому фонду памяти Первой мировой войны «Крокi»
Данная модель будет демонстрироваться в экспозиционно-историческом комплексе «Забродье», а для рассказа о ней я решил обобщить всю известную информацию об этих катерах и их боевого применения в нашем регионе на озере Нарочь в составе 3-й группы катеров речной флотилии Отдельной Морской бригады особого назначения.
Формирование Речной флотилии
Речная флотилия начала создаваться в феврале 1916 года, когда стало ясно, что весной на Полесье будет разлив рек и любое передвижение по дорогам станет невозможны.
Перед флотилией были поставлены задачи: нести сторожевую и разведывательную службу, а также минировать реку Припять и её притоки и охранять железнодорожные мосты на реках. Первоначально предполагалась, что речная флотилия будет временным формированием при Морском полку особого назначения, которым командовал флота генерал-майор Георгий Николаевич Мазуров[4].
Флота генерал-майор Георгий Николаевич Мазуров, на фотографиях в чине капитана 1-го ранга
26 мая 1916 года в Мозырь прибыли первые суда новой флотилии. К концу марта флотилия была укомплектована офицерами (120 чел.), матросами и унтер-офицерами (477 чел.). Начальником флотилии был назначен капитан 1-го ранга Сергей Рудольфович де Ливрон.
Приказом Главнокомандующего армиями Западного фронта от 31 мая 1916 г. за № 788 Морской полк Особого назначения был развёрнут в Отдельную Морскую бригаду Особого назначения в составе:
- Управления бригады;
- артиллерийского полка;
- минного полка;
- речной флотилии;
- механической мастерской.
Но немного ранее речная флотилия была разделена на группы катеров, которые должны были действовать автономно друг от друга.
Историю Отдельной Морской бригады особого назначения описывать подробно нет смысла ее неплохо описал Вячеслав Бондаренко в своих работах[5].
3-я группа катеров речной флотилии и её передислокация на озеро Мястро
Весной 1916 года лейтенант Александр Александрович Ольшевский[6] был назначен командиром 3-й группы катеров речной флотилии Отдельной Морской бригады особого назначения.
В апреле 1916 года начальник 6-й пехотной дивизии попросил генерал-майор Мазурова прислать несколько бронированных катеров на озеро Нарочь. В Морской бригаде приняли решение направить туда два катера.
Александр Александрович Ольшевский
17 мая 1916 года лейтенант Ольшевский с двумя катерами «Скат» и «Касатка» по предписанию начальника речной флотилии отправился на станцию «Сеславино»[7] в распоряжения штаба 1-го Сибирского армейского корпуса 2-й армии, для действия на озере Нарочь.
Прибыв на станцию «Сеславино» лейтенант Ольшевский понял, что она далеко как от штаба 1-го Сибирского армейского корпуса, так и озёр на которых ему предстояло действовать. Этапный комендант направил его на станцию «Будслав» в штаб 2-й армии. Там решили, что группа Ольшевского поступит в распоряжение командующего 15-го Армейского корпуса, так как он занимал почти всё озёрное пространство, а 1-й Сибирский только небольшой участок озера Нарочь, который полностью простреливался неприятелем и там негде было укрыть катера.
25 мая картера прибыли на станцию «Будслав», и по узкоколейке были отправлены в деревню Лукьяновичи, а оттуда волоком при помощи 10 лошадей до озера Баторино, которое соединено протоками с озером Нарочь. Доставка к озеру волоком заняла по 1,5 часа на каждый катер.
Место дислокации группы считалось озеро Нарочь. Реально отряд 3-й группы катеров базировался на озере Мястро, точнее, в деревне Кочерги, оттуда катера имели возможность переходить: по реке Дробня на соседние озеро Баторино, через протоку (реку) Скема на озеро Нарочь. Войлоком можно было переправить катера на озеро Мядель.
Место дислокации 3-й группы катеров речной флотилии Отдельной Морской бригады особого назначения
Место на озере Мястро в Северном заливе у деревни Кочерги было выбрано лейтенантом Ольшевским очень удачно. Хотя до нее и достреливала вражеская артиллерия, но из-за горы попасть сюда было почти невозможно. Рядом с якорной стоянкой катеров были построены землянки для личного состава группы. Проведена телефонная связь со штабом корпуса и дивизии. На довольствие команда катеров была прикомандирована к 3-й минной роте Морского полка, которая размещалась в 3-х верстах от деревни Кочерги в деревне Новоселки.
Сразу у Ольшевского и его людей возникли ряд неудобств, связанных с отсутствием многих вещей, которые со временем решалась. Так вначале даже отсутствовал котел для приготовления горячей пищи для личного состава. Не было и карманных электрических фонарей для сигнализации между катерами. И главное не было печати, которой командир этого отряда мог бы удостоверить свою подпись на документах. Также очень не хватало еще одного офицера в группе.
Чуть позже прибыли еще два моторных катера «Стерлядь» и «Лосось». Теперь можно было уже приступать к их оснащению, планированию и проведению операций.
Перед описанием боев 3-й группы катеров речной флотилии Отдельной Морской бригады особого назначения рассмотрим ее материальную часть, чтобы иметь представление о возможностях катерников на Нарочи.
Деревянные катера флотилии
Все катера флотилии, кроме двух бронированных были деревянными. Первоначально это были «Скат», «Касатка», «Стерлядь» и «Лосось», позже к ним присоединились «Налим», «Альбатрос», «Аскалот», «Краб», «Судак», «Спрут», «Сиг», «Щука» и «Корон». Полный список катеров и выявленные сведения о них в Приложении 1.
Возникает вопрос, что это были за деревянные корабли и как они выглядели? Фотографии катеров, которые базировались в деревне Кочерги, мне не известны.
В архивных документах есть упоминания о катерах, из них можно установить некоторые подробности их появления в ОМБОН и ТТХ.
В Приказе по речной флотилии[8] указано, что катера «Скат», «Касатка», «Стерлядь» и «Лосось» приняты в ОМБОН из Петроградского порта, во флотилии числились с 26 марта 1916 года. Там же далее указано, что 8 катерам типа службы связи присваиваются названия: Стерлядь, Лосось, Сом, Белуга, Осетр, Нельма, Кета и Палтус, а 2 легким катерам без названия: Скат и Касатка.
Действительно в Службе Связи Балтийского флота были 25 футовые катера, поэтому можно было предположить, что это были они. Но в статье Максима Приданникова «Катера Службы связи Балтийского флота»[9] неплохо рассмотрены судьбы этих 25 футовых катеров. Они в годы Первой мировой войны так и остались на Балтике и, следовательно, не могли оказаться на реках и озерах Беларуси.
Ответ о том, что это за катера находим в «Деле об организации Пинской речной флотилии»[10]. Там есть следующей документ:
«Министерство Морское
Главное Управление Кораблестроения
Начальник корабельного отдела
10 марта 1916 г.
№ 2510
Владельцу Петроградской верфи моторных судов г. Золотову
По приказу Помощника Морского Министра, прошу Вас немедленно передать в распоряжение Петроградской Портовой конторы 4 каютных моторных катера длиною 25 футов, построенные верфью для миноносцев типа «Орфей» Металлического завода, 2 таких же катера для миноносцев «Лейтенант Ильин» Путиловского завода и 2 открытых катера, реквизированных у Вашей верфи Морским Генеральным Штабом.
Взамен взятых 6 миноносных катеров, верфи будут заказаны в самом непродолжительном времени другие.
Генерал-лейтенант Вешкурцов
Делопроизводитель поручик Шульгин»[11].
В начале 1916 года верфь Золотова построила 6 моторных каютных катеров для эсминцев. Они имели размеры: длина 25 футов, ширина 7 футов, осадка 22 дюйма. Катера были оснащены 4-х цилиндровым мотором Буффало мощностью 22 НР, магнето и фрикционной муфтой. Скорость хода у них была 8-9 узлов[12].
Я обратился к Максиму Игоревичу Приданникову с просьбой помочь с фотографиями или схемами катеров. Он поделился чертежами, из которых видно как выглядели такие катера[13]. Причем Максим Игоревич указал, что они имели отличия в зависимости от завода изготовителя.
Чертёж разведочных 25 футовых катеров. Скорее всего приблизительно, так выглядели катера «Стерлядь» и «Лосось»
В книге Черникова «Русские речные флотилии за 1000 лет (907-1917)»[14] в 20 главе «Флотилия озера Мястра 1916–1917 гг.» приводится схема «Моторный катер (2 единицы)» которые входили в ее состав флотилии.
Схема из книги И. Черникова «Русские речные флотилии за 1000 лет», где она подписана Моторный катер (2 единицы). С учетом того, что только катера «Стерлядь» и «Лосось» имели пушечное вооружение то можно предположить, что это их изображение
Внешне рисунок очень похож на выше приведённый чертеж, отличия заключаются в форме иллюминаторов (окон) каюты. Последние могут отличатся в зависимости от производителя, ведь фирма Золотова передала 6 моторных каютных катеров, а 25 футовых катеров для речной флотилии ОМБОН получил не менее 8 единиц.
В речной флотилии 25 футовые катера «Стерлядь» и «Лосось» получили вооружение: одно 37-мм скорострельное орудие Гочкис и пулемёт. Причём есть данные, что для своих катеров речная флотилия получала тумбы шлюпочного образца для 37-мм пушек. Экипаж такого вооружённого катера был 6 человек.
Также уже на озере Нарочь двигатель, каюту и орудие прикрыли противопульными щитами. В переписке «Об организации Пинской речной флотилии» есть много документов касающихся получения брони для деревянных катеров. Так для их бронирования передавались с Балтийского судостроительного завода 40 листов судостроительной стали[15], а с Ижорского завода 30 больших и 20 малых щитов[16]. Ольшевский в своём рапорте указывал «Для предохранения катеров и людей от пулемётного огня, на катере установлена броня, которую удалось приспособить из оконных (так в документе возможно правильно окопных) щитов.» Установка брони на катера «Скат», «Касатка», «Стерлядь» и «Лосось» была закончена до 24 июня 1916 года. На каждый катер установлено от 10 до 12 листов. 25 июня прибыли и были установлены пулемёты на катера «Скат» и «Касатка». С этого времени катера стали готовы к проведению операций.
Бронекатера фирмы «Муллинз»
Основную силу отряда составляли «Бронированный катер № 4» и «Бронированный катер № 14» которые прибыли на Нарочь в сентябре 1916 года. Они относились к бронекатерам построенным в 1916 году компанией «Муллинс и Ко».
Достройка бронекатера на открытом стапеле компании «Муллинс и Ко»
Ходовые испытание бронекатеров на реке Огайо
Подробно о них писать смысла нет так-как есть много публикаций, посвященных этим корабликам в том числе монография «Дозорные бронекатера русского Военного ведомства»[17]. Поэтому приведём только их оригинальный чертеж и укажем основные ТТХ.
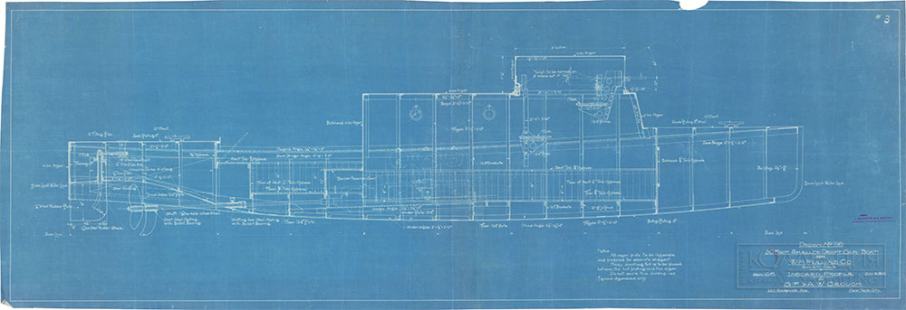
Бронекатер фирмы «Муллинз». Копия оригинальных чертежей
Построены в 1916 году в США фирмой «W.h. mullins and К°». Водоизмещение 6,5 тонн. Длина наибольшая — 9,21 м. Ширина наибольшая — 2,47 м. Осадка — 0,61 м. Высота максимальная от уровня воды (по крыше пулемётной башни) — 1,52 м.
Катера имели бензиновые двигатели Стирлинга мощностью 85 л. с. Скорость 10-12 узлов (по проекту), реально не превышала 9,4 узла. Запас топлива 700 кг бензина. Максимальная дальность плавания — до 500 миль.
Броневой пояс по ватерлинии, броня борта у моторного отделения и ахтерпика толщиной 5 мм; пулемётная башня, бока рубки-моторного отделения с 6-мм броней, крыша с 4-мм; палуба не бронирована. Изнутри боевое отделение было оклеено войлоком для защиты от окалины при попаданиях пуль и осколков снарядов.
Вооружение:
- один 7,62-мм пулемёт системы «Максим». Наибольший угол возвышения пулемёта + 35°. Боекомплект 2000 патронов в 8 пулемётных лентах.
- одно 37-мм скорострельное орудие Гочкис (Hotchkiss), на тумбе, крепившаяся к палубе кокпита болтами. Боекомплект — 200 снарядов.
Помимо этого, экипаж мог вести огонь из личного оружия через специальные бойницы — по две с каждого борта, по одной в корме (во входной двери в боевом отделении), которые закрывались броневыми ставнями.
Экипаж 7 человек.
Фотографий бронированных катеров №4 и №14 на Нарочи я не встречал. Но есть фотографии таких бронекатеров с других участков фронтов Первой мировой войны.
Бронекатер на реке Припять
Бронекатер на реке Западной Двине, лето 1916 года
Бронекатер на реке Дунай под Измаилом, 1917 год
Известна боевая потеря одного из «Муллинзов». 29 августа 1916 года, бронированный катер №8 был потоплен неразорвавшимся германским 6 дюймовым снарядом в боях у острова Глаудан на реке Западная Двина. При этом погибло 2 нижних чина. Катер был поднят 10 сентября и отправлен на ремонт в Петроград 7 января 1917 года. Ремонт затянулся и на Двину катер уже не попал.
Бронекатер №8 после подъёма. Хорошо видна пробоина от 15-см немецкого снаряда, Западная Двина, осень 1916 г.
Планирование операции
О планировании и проведении первых операций на озере Нарочь мы знаем из донесений и рапортов Ольшевкого[18].
Так как катера прибыли во 2-ю армию в то время, когда наступления не планировалось встал вопрос – как их использовать.
Командующий корпуса предлагал при помощи катеров высадить маленький десант в тыл противника. Лейтенант Ольшевский высказал сомнение, что такая операция пройдет успешно. Для десантирования на вражеский берег его деревянным судёнышкам придется подходить близко к берегу, а дно неизвестно и катера могут получить тяжелые повреждения. Кроме того, противник мог поставить на берегу фугасы, и их подрыв мог вызвать большие потери среди десанта.
Район боевых действий 3-й группы катеров речной флотилии Отдельной Морской бригады особого назначения
Поэтому решили, что в одну из темных ночей между озерами Нарочь и Мядзиол пехота будет проводить ложное наступление (откроет ружейный и артиллерийский огонь). Когда противник начнет отвечать, воспользовавшись шумом катера должны будут выйти из оз. Мястро в оз. Нарочь и зайдя в тыл противника откроют интенсивный огонь. Планировалось, что катера будут замаскированы ветками и огонь начнут вести из-за острова[19].
В июне 1916 года вода в озерах Мястро в Нарочь сильно упала. И хотя катера могли пройти через протоку Скема между озёрами, но она стала заносится песком. Поэтому Ольшевский предложил прорыть (углубить) канал таким образом, чтобы катера могли проходить через него на полном ходу из Мястра на Нарочь.
С 12 по 24 июня проводились работы по прорытию канала. Работа была сложной и опасной, так как весь перешеек простреливался не только артиллерийским, но и ружейным огнём. Поэтому работы проводились по ночам. На работы привлекались по 100-200 человек рабочих партий ими руководили моряки. Особо в этих работах отличился старший унтер-офицер Мефодий Кушнер (в отряде он выполнял обязанности боцмана), он выделялся спокойствием и всегда изъявлял желание работать, являясь всегда примером другим.
К 24 июня канал был прорыт и катера могли свободно переходить на Нарочь. 25 июня катера получили пулемёты и стали готовы к проведению вылазок. От командования был получен приказ группе катеров лейтенанта Ольшевского на озере Нарочь обстрелять тыл и окопы противника в районе деревни Пасынки.
Боевое крещение
Для проведения операции моторные катера были поделены на 2 группы. В 1-ю группу лейтенанта Ольшевского входили «Стерлядь» и «Лосось». Во 2-ю подпоручика Домашевского «Скат» и «Касатка»[20].
Утром 26 июня катера приняли припасы и боеприпасы, а также взяли патроны (шашки) дымовой завесы.
В 27 июня 0 часов 30 минут русская артиллерия открыла редкий огонь по противнику, который усилился до максимума в 1 час ночи. В это время пехота открыла ружейный, пулемётный и бомбометный огонь. Это было сделано чтобы заглушить звук моторов катеров, а в час ночи обычно вражеские прожектора уже не святили и на озере устанавливалась мгла.
По заранее установленному сигналу на озеро из канала стали выходить катера сперва «Стерлядь» и «Лосось» лейтенанта Ольшевского, затем «Касатка» и «Скат» подпоручика Домашевского. Так как дно Нарочи было не известно первыми шли катера «Стерлядь» и «Лосось» которые имели более крепкие корпуса. В обоих группах было по сигнальщику которых взяли во 2 минной роте (штатные сигнальщики флота). Кроме того, на катерах были еще двое запасных пулемётчика, которых дал штаб 6-й пехотной дивизии.
Вот как описывал дальнейший ход событий лейтенант Ольшевский в докладе командующему 15-го Армейского корпуса[21].
«1 ч. 00 м. пройдя благополучно проход малым ходом, лег на курс по направлению к острову, лежавшему у дер. Пасынки.
1 ч. 10 м. Дан сигнал: «2 группе полный ход – идти по назначению». 2 группа должна была выйти немного вперёд и обстреливать окопы противника с тыла, пушки же с фланга продольным огнём.
1 ч. 15 м. 2 группа прошла по правому берегу полным ходом по направлению к острову. 1 группе сигнал: «Вступить в кильватер, полный ход».
Согласно заранее выработанному плану, 2 группа должна была дойти до середины острова, и повернув немного влево, лечь на курс параллельный берегу, доходить до западной оконечности лежащего здесь полуострова и возвращаться обратно, описывая таким образом эллипс.
1 группа, дойдя до середины острова, ложится на обратный курс и доходит до траверза передовых немецких окопов, ниже описывая эллипс. Когда головной катер 1 группы подошел к середине острова, с него был дан первый выстрел, что служило сигналом остальным: «Малый ход, открыть огонь». С берега из передового нашего окопа нам сигнализировал офицер, указывая нашу линию окопов.
Вид на остров на озере Нарочь. Немецкая фотография июля 1916 года из коллекции Владимира Богданова.
1 ч. 30 м. открыл огонь четырьмя катерами. Пулемёты при приближении к острову, обстреливают пространство между передовым окопом противника и дер. Пасынки; удаляясь к полуострову, понемногу переводят огонь влево через дер. Пасынки до 2 линии окопов противника. Пушки на траверзе 1 лини отстреливают её, а удаляясь к острову, переводит огонь влево до деревни, захватывая и её.
После первого же выстрела прожектор противника, находящийся у дер. Боровы[22], светивший всю ночь, сейчас же закрыл огонь, хотя выстрел был направлен в противную сторону. Видимо он стоит на берегу, и противник боялся обстрела.
Противник, отвечавший до этого времени на наш ружейный огонь после начала стрельбы с катеров, на время совершенно прекратил стрельбу, что явилось, видимо, результатом некоторого замешательства.
Минут через 15 после начала стрельбы на высоте 101,6 открылся прожектор. Мною было приказано пушкам перенести огонь на него. После пятиминутного обстрела, этот прожектор перестал светить совершенно (всю эту неделю он не светил).
Через 10 минут открылся другой прожектор, много ближе, у дер. Пасынки, он озеро не освещал, а быстро зажигаясь только на несколько секунд, проводил лучом по берегу, видимо, боясь высадки десанта.
В это время открылось 2 прожектора у дер. Пасынки, подпоручик Домашевский на «Касатке» приблизился к полуострову, обстрелял прожектор и 2 линию окопов с дистанции 200-250 шагов. Около 2 ч. 00 м. сигнал с «Касатки»: Перестать стрелять. (по условию значило: «израсходованы снаряды»). Дан сигнал: «К атаке возвратиться (домой)». Катеру «Скат» семафором: «Пройти на север обстрелять дер. Подрезы».
Пушкам «Гочкиса» приказал обстреливать остров и приблизился к нему шагов на 200, ближе подойти было невозможно. За всё время стрельбы на острове присутствия людей замечено не было.
Около 2 ч. 15 м. катер «Скат» возвратился, давая сигнал «Перестать стрелять». Ответ «Возвратится».
Отправив один из оставшихся катеров к дер. Наносы с приказанием обстреливать её, с другим катером прошел вдоль северного берега, мимо дер. Подрезы, произвёл несколько выстрелов по дер. Симоны и прожектору у г. дв. Антонизберг и приблизившись к Наносам, соединился с первым катером и т.к. взятый с собой запас снарядов был израсходован и начался полный рассвет, возвратился к каналу.
Ввиду тёмной ночи и мглы совершенно нельзя было вести сосредоточенного огня, также нельзя было заметить результатов. Проводилась ли стрельба по катерам, определить точно не могу, вспышки выстрелов видел, но за общим гулом стрельбы направления полетов определить не мог. Позже выяснилось, что стреляли по всему озеру гранатой, но об воду она не взрывалась. Считаю долгом донести, что порядку и правильному выполнению задачи много помог подпоручик Домашевский. Не смотря на необычную обстановку, быстро применились к месту и старательно выполняли приказания пулемётчики 23 Низовского полка[23] Суурнер и Поцан[24].
Вверенная мне команда работала безупречно как при подготовительных работах по прорытию канала днем, делая плетни, а ночью работая в воде в течение 9 дней, так и при выполнении задания.
Расход боевого запаса: 180 снарядов, 4 ½ тысячи пулемётных патронов.»
Катера противника
27 июня 1916 года командам был дан отдых, но уже на следующую ночь с 28 по 29 июня начался перевод катеров на оз. Мядель. Путь был 3 версты по суше, но он простреливался противником. Перешеек между озерами Мястро и Нарочь занимал немецкий 174-й пехотный полк[25] именно против него предстояло действовать катерам Ольшевского.
Позиции немецкого 174-го пехотного полка между озерами Мядель и Нарочь. Фотографии из коллекции Владимира Богданова
Один катер подняли из воды и начали перемещать, но работы не закончили и другие катера решили не поднимать из воды. Причиной послужила успешная операция, проведённая катерами противника.
В ночь с 28 на 29 июня на Нарочи появились два немецких катера, которые обстреляли русский прожектор на юго-восточном берегу озера.
Фотографий немецких катеров из флотилии озера Нарочь мне не известны. Зато у моего друга Владимира Богданова есть фотография одного из катеров действовавшего в соседнем озере Свирь, причем на немецком языке она так и подписана Swirseeflottille. А на самом катере можно разобрать его название «Nixe» («Русалка»).
Катер «Русалка» (Nixe) из состава немецкой Свирской флотилии. Фотография из коллекции Владимира Богданова
Так как озеро Свирь было в немецком тылу, то тут катера использовались для транспортных нужд, что немаловажно в отсутствии нормальных дорог в этом регионе.
Также о том, как выглядели немецкие моторные катера, которые действовали на реках Беларуси можно узнать из фотоальбома капитана Отто Фаузера (Otto Fauser). Именно из этого альбома известная фотография «Захваченные российские бронекатера на реке Припять» которая опубликована во многих статьях посвященным бронекатерам фирмы «Муллинз и К°».
Захваченные российские бронекатера на реке Припять. Фото сделано у Мозыря 27 марта 1918 года. (Meine Panzerboote auf dem Pripjet 27.03.1918). Фото из альбома Отто Фаузера
Про Отто Фаузера и фотографии речных судов из его альбома расскажем подробнее в одной из следующих статей.
Дальнейшие успехи катеров Ольшевского
После появления немецких катеров Ольшевский решил попытаться перехватить противника. В ночь с 29 на 30 июня он с тремя катерами вышел на озера Нарочь, с таким расчётом, что, если они опять подойдут к русскому прожектору, отрезать им путь отступления и принудить принять бой. По выходе катеров на озеро все прожектора противника погасли, а катера не появлялись.
Командующий армии настаивал на проведении операции силами катеров на озере Мядель. Поэтому Ольшевский решил перевести туда 3 катера.
Пушечный катер «Лосось» был оставлен на озере Мястро с целью нахождения в канале и не выходя на озеро Нарочь отражать возможные попытки противника войти в канал для атаки базы.
Перевод катеров на озеро Мядель занял две ночи.
2 июля 1916 года катера были спущены в южном заливе у деревни Волочёк. 3-го катера были готовы к проведению операции которую назначили в ночь с 4 на 5 июля.
Карта немецких позиций из полковой истории 174-го пехотного полка на озере Мядель
Лейтенант Ольшевский в докладе командующему 15-го Армейского корпуса это рейд катеров описывал так.
«Согласно предписания Вашего Превосходительства, в ночь с 4 на 5 июня вышел на озеро Мядель для обстрела тылов противника, в составе трёх катеров «Скат», «Касатка» и «Стерлядь». Вооружение 2 пулемёта, 1 пушка, 12 ручных гранат и 21 винтовка.
Много препятствовала выполнению задания светлая, лунная ночь, т.к. катера были замечены противником ещё до открытия мною огня. Выйдя из южного залива у фольв. Волок в строю кильватера, подошёл к острову «Замок»; не доходя до него сажень 100 лёг на курс West, имея на носу дер. Струголяны, противник открыл сильный ружейный огонь с этого берега. Имея главную задачу обстрелять полуостров Дубовое, огня по западному берегу не открывал, а дойдя до высоты островка, обогнул его слева и пошёл к северо-западной оконечности полуострова Дубовое. С полуострова огня до этого времени не открывали.
Приблизившись к оконечности его на 100 сажень, повернул немного вправо, вошёл в имеемый здесь залив и лёг на курс параллельный берегу. Полуостров гористый, понемногу снижающийся к северу. На берегу, в глубине залива, разложено было 10-15 маленьких костров, кроме того виден был свет из окон землянок.
В 1ч. 10 м открыл огонь из пулемётов, пушки и всех винтовок. Благодаря близкой дистанции и хорошему освещению, было очень легко сосредоточить огонь по кострам и землянкам. Нападение для противника было, видимо, совершенно неожиданным. Несколько минут не было заметно не какого движения, но затем появились люди, часть которых бросилась бежать, другая же часть бросилась тушить огни. Было замечено несколько удачных попаданий в землянки.
Минут через 10 после начала обстрела, с берега начали отвечать беспорядочным ружейным огнём. Не предполагая наличия больших сил на полуострове, повернул к берегу, продолжая обстрел, но при подходе к нему сажень на 40-50, был встречен сильным ружейным огнем, открывшимся вдоль всего берега. Продолжая продвижение к берегу, заметил, что стрелки отходят вглубь полуострова. В это время у пушки «Гочкиса» испортилось спусковое приспособление, т. ч. из него пришлось прекратить огонь, кроме того запас в пулемётных лентах приходил к концу, почему вынужден был дать сигнал: «Возвратится» и, выйдя из-за полуострова, направился к острову «Замок».
В 1 ч. 40 м. как только катера появились из-за полуострова, противник открыл сильный шрапнельный огонь, но цели не достиг, т.к. были большие перелёты; через 2-3 минуты были замечены большие всплески воды, видимо, от падения не взрывавшихся об воду гранат.
Понемногу с больших перелетов разрывы стали приближаться к катерам, но в это время флотилия уже подошла к острову «Замок» и на фоне слилась с ним, почему противник, вероятно решил, что катера к нему пристали и открыл огонь по острову. Воспользовавшись этим, открыл дымовую завесу и вильнув в сторону, успел пройти с катерами, не замеченным в южный залив.
Потерь в людях не имею, благодаря хорошему укрытию щитами. Все катера имеют ружейные пробоины, но все выше ватерлинии. Несмотря на сильный обстрел, команда держала себя безукоризненно, ни на минуту, не прекращая ружейного огня. Расход: снарядов 52, ружейных патронов 856 и пулемётных 3750.
Нападения с этой стороны противник совершенно не ожидал, т.ч. огонь с катеров произвёл у него сильный переполох, выразившийся сперва в полном молчании, потом беготня и беспорядочная стрельба, наладившейся только под самый конец, т.е. минут через 25-30.
Ввиду необходимых исправлений пушки и катеров, прошу Ваше Превосходительство разрешить употребить на это 2 суток, что, в то же время послужит отдыхом для команды, работающей в течении последней недели днем и ночью.»
Эта операция принесла первые награждения Георгиевскими наградами.
«… Нижепоименованные нижние чины, за отличие в боях с неприятелем награждаются мною Георгиевскими крестами и Георгиевскими медалями.
3-й группы катеров Речной флотилии
Георгиевским крестом 4 ст. № 575617 рулевой боцнанмаат Мефодий Иванов Кушнер
За то, что, командуя пулемётной группой катеров при набеге на полуостров Дубовое в ночь с 4 на 5 июля 1916 г. и вполне заменяя офицера, получив приказание обстреливать пулемётным огнем часть полуострова Дубовое, лежащую ближе к берегу, с успехом выполнил данное ему поручение произвести замешательство среди противника. Причём выполнил своё поручение под сильным ружейным огнём. Ст.67 п.54.
Георгиевской медалью 4 ст. № 670768 строевой унтер-офицер Игнатий Петрович Петров
Георгиевской медалью 4 ст. № 670769 марсовой унтер-офицер Петр Андреев Громов
За то, что, командуя катером в ночь с 4 на 5 июля 1916 г. при набеге на полуостров Дубовое на озере Мядзиол, под сильным ружейным огнём противника разрывными пулями, быстро и точно исполняли приказания, чем способствовали успешному выполнению набега. Ст. 145 п.2.
Георгиевской медалью 3 ст. № 22437 комендор Михаил Михайлов Вахрушкин
За то, что, состоя комендором у 37 мм пушки под сильным ружейным огнем противника спокойно выполнял свое дело, огнём пушки приведя в замешательство противника и, правильно корректируя стрельбу дал несколько попаданий в землянки при набеге на полуостров Дубовое на озере Мядзиол. Ст.145. п.2.»[26]
Наиболее горячим временем для катерников-спецназовцев на Нарочи стал период с 17 июля по 4 августа 1916 года. Тогда корабли флотилии каждую ночь обстреливали из орудий и пулемётов посты противника, плашкоуты с орудиями и все, что лежало в пределах их досягаемости, обеспечивая и поддерживая фланги примыкавших к ней сухопутных частей фронта.
В сентябре 1916 года на Нарочь прибыли «Бронированный катер № 4» и «Бронированный катер № 14» которые сильно укрепили отряд. С новыми бронированными катерами противник предпочитал не связывается.
Так как белорусские озера замерзают зимой, то на это время катера отряда отправлялись на зимовку в базу в Мозыре.
С конца февраля 1917 года прошли изменения в оперативном отношении, отряд 3-й группы катеров был подчинен Начальнику 67-й пехотной дивизии 35-го Армейского корпуса. 67-я пехотная дивизия заняла позиции у юго-западного берега озера и её полки сталкивались с работой вражеских катеров.
Позиции 267-го пехотного Духовщинского полка южнее озера Нарочь. На карте показаны позиции противника и места расположения его прожекторов
В фотоархиве подпоручика 267-го пехотного Духовщинского Дмитрия Сергеевича Мошкина есть несколько фотографий касающихся мероприятий против действия катеров противника.
Для борьбы с ними был создан «Озёрный отряд» который имел несколько замаскированных пулемётов и занимался обстрелом вражеских катеров в случае их появления.
- Пулемётное гнездо пулемёта «Кольт». Озёрный отряд. Береговая охрана озера Нарочь. 4 мая 1917 года. Из семейного архива Мошкина Д.С.
- Озёрный отряд. Обстрел из пулемёта неприятельской моторной лодки на озере Нарочь. Июнь 1917 года. Из семейного архива Мошкина Д.С.
С 22 августа по 9 октября 1917 года начальником 3-й группы катеров был назначен лейтенант Ювеналий Петрович Свободин[27].
Лейтенант Ювеналий Петрович Свободин с женой
На 27 августа 1917 года состав 3-й группы катеров: 15 катеров, 69 человек команды и 5 лошадей. На Нарочи также было 2 пулемёта и 1 — 47 мм пушка использовавшиеся как зенитки. При лейтенанте Свободине отряд больших отличий не имел. Сказывалось общее разложение армии и нерешительность самого командира отряда.
Свободин зарекомендовал себя очень слабым командиром, поэтому в октябре 1917 года начальником 3-й группы катеров был назначен более решительный поручик Мертин. Именно при нём в ночь на 1 октября 1917 года 3-й группой катеров был проведён набег в тыл неприятельского расположения на северном берегу озера Нарочь. Операция завершилась полным успехом, нанеся противнику большие потери, посеяв переполох в его тылу. Во время её проведения с катеров был высажен десант, который захватил деревню Купа, где взяли в плен 2-х германских солдат. Очень многие участники операции получили Георгиевские награды. Эта операция стала «лебединой песней» 3-й группы катеров на Нарочи.
Произошедшая вскоре Октябрьская революция поставила точку на короткой, но героической истории 3-й группы катеров речной флотилии Отдельной Морской бригады особого назначения. Сами же катера отряда стали немецкими, а затем польскими трофеями.
Заканчивая это исследование, хотелось бы поблагодарить за помощь в поиске документов, фотографий и других источников информации Владимира Богданова (г. Минск), Виктора Гайдучика (г. Брест), Алексея Зарайского (г. Москва), Владимира Мицкевича (г. Минск), Максима Приданникова (г. Санкт-Петербург), Валентина Юшко (г. Москва), Александра Кузнецова (г. Поставы).
Каркотко Андрей Юрьевич Магистр политических наук, историк (изображения предоставил автор)
Приложение 1
Корабли 3-й группы катеров
«Бронированный катер № 4». Бронекатер фирмы «Муллинз». Принят в ОМБОН из Запасного моторно-понтонного батальона 11 июня 1916 г.
Бронированный катер №4. Схема из книги И. Черникова «Русские речные флотилии за 1000 лет»
«Бронированный катер № 14». Бронекатер фирмы «Муллинз». Принят в ОМБОН из Запасного моторно-понтонного батальона 11 июня 1916 г.
Бронированный катер №14. Схема из книги И. Черникова «Русские речные флотилии за 1000 лет». В книге он проходит как вооруженный 1-м пулемётом, но есть сведения, что на нём была установлено 37 мм скорострельное орудие Гочкис
Бронированные катера были прикомандированными к флотилии, но принадлежали Военному ведомству.
Катер «Стерлядь». Катер типа службы связи. Принят в ОМБОН из Петроградского порта, во флотилии с 26 марта 1916 г. Экипаж 6 человек. Вооружение 1 пулемёт 1 х 37-мм пушка.
Катер «Лосось». Катер типа службы связи. Принят в ОМБОН из Петроградского порта, во флотилии с 26 марта 1916 г. Экипаж 6 человек. Вооружение 1 пулемёт 1 х 37-мм пушка. Захвачен поляками, получил № 14. С июля 1921 году находился в г. Moдлине.
«Стерлядь» и «Лосось» относились к серии «25 футовых катеров». Длина — 7,62 м; ширина — 2,18 м; осадка — 0,61 м. Мощность двигателя — 14-20 л.с.; скорость хода — 13 узлов. Вооружение — одно 37 мм скорострельное орудие Гочкис.
Катер «Скат». Принят в ОМБОН из Петроградского порта по документам числился как лёгкий катер без названия, во флотилии с 26 марта 1916 г. Мощность двигателя — 35 л.с. Экипаж 5 человек. Вооружение 1 пулёмет.
Катер «Касатка». Принят в ОМБОН из Петроградского порта по документам числился как лёгкий катер без названия, во флотилии с 26 марта 1916 г. Длинна 8,5 м. Экипаж 5 человек. Вооружение 1 пулемёт. Захвачен поляками, получил № 22. С июля 1921 году находился в г. Moдлине польское имя «OLEŃKA».
Катер «Налим». Вооружение 1 пулемёт.
Катер «Альбатрос». Вооружение 1 пулемёт.
Катер «Аскалот».
Катер «Краб». Длинна 7,6 м. Вооружение 1 пулемёт. Захвачен поляками, получил № 21. С июля 1921 году находился в г. Moдлине.
Катер «Судак».
Катер «Спрут». Вооружение 1 пулемёт и 1 3-х дюймовый бомбомёт. Длина 9 м. Захвачен поляками, получил № 34. С июля 1921 году находился в г. Moдлине.
Катер «Сиг». Принят в ОМБОН из Земсоюза, прежнее название «Корсар», во флотилии с 28 мая 1916 г. Длинна 7,14 м. Экипаж 4 человек. На 26 октября 1916 г. числился в 7-й группе катеров. Захвачен поляками, получил № 32. С июля 1921 году находился в г. Moдлине.
Катер «Щука».
Катер «Корон».
2 шестёрки Радиостанции.
Приложение 2
Офицеры 3-й группы катеров
Домашевский Константин Константинович (?―12.11.1916). Подпоручик по адмиралтейству. Младший офицер 3-й минно-подрывной роты минного полка Отдельной морской бригады особого назначения. Погиб 12 ноября 1916 года. Приказом Главнокомандующего армиями Западного Фронта № 25 от 25 июля 1916 года Домашевский был награждён Орденом Святого Станислава 3-й степени.
Колодкин (?―?). Подпоручик на 20 ноября 1917 г. младший офицер 3-й группы катеров.
Мертин Альберт (?―?). Поручик на 20 ноября 1917 г. командир 3-й группы катеров.
Ольшевский Александр Александрович (23.01.1890―?) Лейтенант, с 1916 года был начальником отряда 3-й группы катеров, на 21 марта 1917 года в должности.
Свободин Ювеналий Петрович (31.05.1883―?) Лейтенант, с 22 августа по 9 октября 1917 года был начальником отряда 3-й группы катеров с прикомандированными некоторыми катерами других групп.
Приложение 3
Награждённые Георгиевскими крестами и медалями из 3-й группы катеров Речной флотилии Отдельной Морской бригады особого назначения
БЕДА Гавриил. Отдельная Морская бригада особого назначения, речная флотилия, 3-я группа катеров, кочегар 1-й статьи. Георгиевский крест 4-й степени №531172 «За то, что в ночь на 1.10.1917, вызвавшись охотником для производства набега в тыл неприятельского расположения на оз. Нарочь, совершил оное с полным успехом, нанеся противнику большие потери, подняв в его тылу тревогу и захватив в д. Купы, произведя там десант, в плен 2-х германских солдат».
БЕЗНОСИКОВ Михаил. Отдельная Морская бригада особого назначения, речная флотилия, 3-я группа катеров, старший комендор. Георгиевский крест 4-й степени №531180 «За то, что в ночь на 1.10.1917, вызвавшись охотником для производства набега в тыл неприятельского расположения на оз. Нарочь, совершил оное с полным успехом, нанеся противнику большие потери, подняв в его тылу тревогу и захватив в д. Купы, произведя там десант, в плен 2-х германских солдат».
БЕЛОБОРОДОВ Агап. Отдельная Морская бригада особого назначения, речная флотилия, 3-я группа катеров, младший унтер-офицер. Георгиевский крест 4-й степени №531181 «За то, что в ночь на 1.10.1917, вызвавшись охотником для производства набега в тыл неприятельского расположения на оз. Нарочь, совершил оное с полным успехом, нанеся противнику большие потери, подняв в его тылу тревогу и захватив в д. Купы, произведя там десант, в плен 2-х германских солдат».
БЕЛОУСОВ Игнатий. Отдельная Морская бригада особого назначения, речная флотилия, 3-я группа катеров, матрос 1-й статьи. Георгиевский крест 4-й степени №531174 «За то, что в ночь на 1.10.1917, вызвавшись охотником для производства набега в тыл неприятельского расположения на оз. Нарочь, совершил оное с полным успехом, нанеся противнику большие потери, подняв в его тылу тревогу и захватив в д. Купы, произведя там десант, в плен 2-х германских солдат».
ВАХРУШКИН Михаил Михайлович. Отдельная Морская бригада особого назначения, речная флотилия, 3-я группа катеров, комендор. Георгиевская медаль 3-й степени №22437 «За то, что состоя комендором у 37 мм пушки под сильным ружейным огнем противника спокойно выполнял свое дело, огнем пушки приведя в замешательство противника и, правильно корректируя стрельбу, дал несколько попаданий в землянки при набеге на полуостров Дубовое на озере Мядзиол. Ст.145. п.2.» (Пр. по 15 арм. корп. № 223 от 10.07.1916)
ВОЛКОВИЦКИЙ Моисей. Отдельная Морская бригада особого назначения, речная флотилия, 3-я группа катеров, матрос 1-й статьи. Георгиевский крест 4-й степени №531173 «За то, что в ночь на 1.10.1917, вызвавшись охотником для производства набега в тыл неприятельского расположения на оз. Нарочь, совершил оное с полным успехом, нанеся противнику большие потери, подняв в его тылу тревогу и захватив в д. Купы, произведя там десант, в плен 2-х германских солдат».
ВЯТКИН Илья. Отдельная Морская бригада особого назначения, речная флотилия, 3-я группа катеров, моторист. Георгиевский крест 4-й степени №531184 «За то, что в ночь на 1.10.1917, вызвавшись охотником для производства набега в тыл неприятельского расположения на оз. Нарочь, совершил оное с полным успехом, нанеся противнику большие потери, подняв в его тылу тревогу и захватив в д. Купы, произведя там десант, в плен 2-х германских солдат».
ГРОМОВ Петр Андреевич. Отдельная Морская бригада особого назначения, речная флотилия, 3-я группа катеров, марсовый боцманмат (марсовой унтер-офицер). Награды: Георгиевский крест 4-й степени №531179 «За то, что в ночь на 1.10.1917, вызвавшись охотником для производства набега в тыл неприятельского расположения на оз. Нарочь, совершил оное с полным успехом, нанеся противнику большие потери, подняв в его тылу тревогу и захватив в д. Купы, произведя там десант, в плен 2-х германских солдат»; Георгиевская медаль 4-й степени №670769 «За то, что командуя катером в ночь с 4 на 5 июля 1916 г. при набеге на полуостров Дубовое на озере Мядзиол, под сильным ружейным огнём противника разрывными пулями, быстро и точно исполняли приказания, чем способствовали успешному выполнению набега. Ст. 145 п.2.» (Пр. по 15 арм. корп. № 223 от 10.07.1916)
ДЁМИН Василий. Отдельная Морская бригада особого назначения, речная флотилия, 3-я группа катеров, младший фельдшер. Георгиевский крест 4-й степени №531188 «За то, что в ночь на 1.10.1917, вызвавшись охотником для производства набега в тыл неприятельского расположения на оз. Нарочь, совершил оное с полным успехом, нанеся противнику большие потери, подняв в его тылу тревогу и захватив в д. Купы, произведя там десант, в плен 2-х германских солдат».
КАЗАНЦЕВ Пётр. Отдельная Морская бригада особого назначения, речная флотилия, 3-я группа катеров, ефрейтор. Георгиевский крест 4-й степени №531186 «За то, что в ночь на 1.10.1917, вызвавшись охотником для производства набега в тыл неприятельского расположения на оз. Нарочь, совершил оное с полным успехом, нанеся противнику большие потери, подняв в его тылу тревогу и захватив в д. Купы, произведя там десант, в плен 2-х германских солдат».
КОПЫЛОВ Василий. Отдельная Морская бригада особого назначения, речная флотилия, 3-я группа катеров, рулевой. Георгиевский крест 4-й степени №531175 «За то, что в ночь на 1.10.1917, вызвавшись охотником для производства набега в тыл неприятельского расположения на оз. Нарочь, совершил оное с полным успехом, нанеся противнику большие потери, подняв в его тылу тревогу и захватив в д. Купы, произведя там десант, в плен 2-х германских солдат».
КОРОЛЕВ Петр. Отдельная Морская бригада особого назначения, речная флотилия, 3-я группа катеров, комендор. Награды: Георгиевский крест 3-й степени №117474 «За то, что в ночь на 1.10.1917, вызвавшись охотником для производства набега в тыл неприятельского расположения на оз. Нарочь, совершил оное с полным успехом, нанеся противнику большие потери, подняв в его тылу тревогу и захватив в д. Купы, произведя там десант, в плен 2-х германских солдат».
КУШНЕР Мефодий Иванович. Отдельная Морская бригада особого назначения, речная флотилия, 3-я группа катеров, рулевой боцманмат сверхсрочной службы. Георгиевский крест 4-й степени №575617 «За то, что командуя пулемётной группой катеров при набеге на полуостров «Дубовое», в ночь с 4 на 5 июля 1916 г., вполне заменяя офицера, получив приказание обстреливать пулемётным огнём часть полуострова «Дубовое», лежащую ближе к берегу, с успехом выполнил данное ему поручение произвести замешательство среди противника. Причём выполнил свое поручение под сильным ружейным огнём. Ст.67 п.54.». (Пр. по 15 арм. корп. № 223 от 10.07.1916). Дополнительные сведения. Срок службы 1905 год. Ранее служил в Северном районе Службы связи Балтийского моря.
МАНЖЕЛЕВСКИЙ Пётр. Отдельная Морская бригада особого назначения, речная флотилия, 3-я группа катеров, моторист, исп. должность. Георгиевский крест 4-й степени №531185 «За то, что в ночь на 1.10.1917, вызвавшись охотником для производства набега в тыл неприятельского расположения на оз. Нарочь, совершил оное с полным успехом, нанеся противнику большие потери, подняв в его тылу тревогу и захватив в д. Купы, произведя там десант, в плен 2-х германских солдат».
МАРКОВИН Тимофей. Отдельная Морская бригада особого назначения, речная флотилия, 3-я группа катеров, старший боцман. Георгиевский крест 4-й степени №531171 «За то, что в ночь на 1.10.1917, вызвавшись охотником для производства набега в тыл неприятельского расположения на оз. Нарочь, совершил оное с полным успехом, нанеся противнику большие потери, подняв в его тылу тревогу и захватив в д. Купы, произведя там десант, в плен 2-х германских солдат».
МЕРТИН Альберт. Отдельная Морская бригада особого назначения, речная флотилия, 3-я группа катеров, поручик, командир. Георгиевский крест 4-й степени №531166 с лавровой веткой. «За то, что в ночь на 1.10.1917, вызвавшись охотником для производства набега в тыл неприятельского расположения на оз. Нарочь, совершил оное с полным успехом, нанеся противнику большие потери, подняв в его тылу тревогу и захватив в д. Купы, произведя там десант, в плен 2-х германских солдат.»
ПЕТРОВ Игнатий Петрович. Отдельная Морская бригада особого назначения, речная флотилия, 3-я группа катеров, строевой боцманмат (строевой унтер-офицер). Награды: Георгиевский крест 3-й степени №117475 «За то, что в ночь на 1.10.1917 г., вызвавшись охотником для производства набега в тыл неприятельского расположения на оз. Нарочь, совершил оное с полным успехом, нанеся противнику большие потери, подняв в его тылу тревогу и захватив в д. Купы, произведя там десант, в плен 2-х германских солдат»; Георгиевская медаль 4-й степени №670768 «За то, что командуя катером в ночь с 4 на 5 июля 1916 г. при набеге на полуостров Дубовое на озере Мядзиол, под сильным ружейным огнём противника разрывными пулями, быстро и точно исполняли приказания, чем способствовали успешному выполнению набега. Ст. 145 п.2.» (Пр. по 15 арм. корп. № 223 от 10.07.1916)
ПЛЕШАКОВ Фрол. Отдельная Морская бригада особого назначения, речная флотилия, 3-я группа катеров, младший унтер-офицер. Георгиевский крест 4-й степени №531182 «За то, что в ночь на 1.10.1917, вызвавшись охотником для производства набега в тыл неприятельского расположения на оз. Нарочь, совершил оное с полным успехом, нанеся противнику большие потери, подняв в его тылу тревогу и захватив в д. Купы, произведя там десант, в плен 2-х германских солдат».
ПОТЕРЯЕВ Фёдор. Отдельная Морская бригада особого назначения, речная флотилия, 3-я группа катеров, старший комендор. Георгиевский крест 4-й степени №531178 «За то, что в ночь на 1.10.1917, вызвавшись охотником для производства набега в тыл неприятельского расположения на оз. Нарочь, совершил оное с полным успехом, нанеся противнику большие потери, подняв в его тылу тревогу и захватив в д. Купы, произведя там десант, в плен 2-х германских солдат».
СЕЛЬСКИЙ Пётр. Отдельная Морская бригада особого назначения, речная флотилия, 3-я группа катеров, старший комендор. Георгиевский крест 3-й степени №117476 «За то, что в ночь на 1.10.1917, вызвавшись охотником для производства набега в тыл неприятельского расположения на оз. Нарочь, совершил оное с полным успехом, нанеся противнику большие потери, подняв в его тылу тревогу и захватив в д. Купы, произведя там десант, в плен 2-х германских солдат».
СОБОЛЕВ Александр. Отдельная Морская бригада особого назначения, речная флотилия, 3-я группа катеров, фельдфебель. Георгиевский крест 4-й степени №531170 «За то, что в ночь на 1.10.1917, вызвавшись охотником для производства набега в тыл неприятельского расположения на оз. Нарочь, совершил оное с полным успехом, нанеся противнику большие потери, подняв в его тылу тревогу и захватив в д. Купы, произведя там десант, в плен 2-х германских солдат».
СПОРОВ Михаил. Отдельная Морская бригада особого назначения, речная флотилия, 3-я группа катеров, старший унтер-офицер. Георгиевский крест 4-й степени №531183 «За то, что в ночь на 1.10.1917, вызвавшись охотником для производства набега в тыл неприятельского расположения на оз. Нарочь, совершил оное с полным успехом, нанеся противнику большие потери, подняв в его тылу тревогу и захватив в д. Купы, произведя там десант, в плен 2-х германских солдат».
РОЗАНОВ Василий. Отдельная Морская бригада особого назначения, речная флотилия, 3-я группа катеров, старший фельдшер. Георгиевский крест 4-й степени №531187 «За то, что в ночь на 1.10.1917, вызвавшись охотником для производства набега в тыл неприятельского расположения на оз. Нарочь, совершил оное с полным успехом, нанеся противнику большие потери, подняв в его тылу тревогу и захватив в д. Купы, произведя там десант, в плен 2-х германских солдат».
ФЁДОРОВ Алексей. Отдельная Морская бригада особого назначения, речная флотилия, 3-я группа катеров, моторист. Награды: Георгиевский крест 3-й степени №117479 вместо креста 4-й степени №531177; Георгиевский крест 4-й степени №531177 «За то, что в ночь на 1.10.1917, вызвавшись охотником для производства набега в тыл неприятельского расположения на оз. Нарочь, совершил оное с полным успехом, нанеся противнику большие потери, подняв в его тылу тревогу и захватив в д. Купы, произведя там десант, в плен 2-х германских солдат».
ШИГАРЕВ Михаил. Отдельная Морская бригада особого назначения, речная флотилия, 3-я группа катеров, моторист. Георгиевский крест 4-й степени №531176 «За то, что в ночь на 1.10.1917, вызвавшись охотником для производства набега в тыл неприятельского расположения на оз. Нарочь, совершил оное с полным успехом, нанеся противнику большие потери, подняв в его тылу тревогу и захватив в д. Купы, произведя там десант, в плен 2-х германских солдат».
Каркотко Андрей Юрьевич Магистр политических наук, историк Изображения предоставил автор
[1] Черников И.И. БК-2 — Бронекатер революции. // Журнал «Моделист-Конструктор». 1984 № 4. с.6-8
[2] Исаенко Владимир Федорович (1932—2010) — Белорусский археолог. Кандидат исторических наук (1974). Открыл на территории Полесья более 300 памятников каменного и бронзового веков. Исследовал 14 стоянок. Один из авторов «Нарысаў па археалогіі Беларусі» (ч. 1, 1970), «Гісторыі Беларускай ССР» (т. I, 1972), «Нарысаў гісторыі Беларусі» (ч. 1, 1994), книги «Беларуская археалогія» (1987), «Летапіс Юравічаў» (частично издана в 2000), составитель двух выпусков Археологической карты Беларуси, автор более 400 статей для энциклопедий. Во второй половине 1990-х — начале 2000-х работал археологом в 52 отдельном специализированном поисковом батальоне, подготовил пособие для командиров подразделения по методике проведения полевых работ, заложив теоретические и практические основы белорусской военной археологии.
[3] Карпеев Игорь Вячеславович (1954 —2015) главный специалист отдела публикации документов Российского государственного военно-исторического архива. Он входил в ряд авторских коллективов, создаваемых в РГВИА для подготовки сборников документов, Интернет-проектов и документальных публикаций, автор многих статей.
[4] https://wiki.lesta.ru/ru/Мазуров,_Георгий_Николаевич
[5] Бондаренко В. В. Утерянные победы Российской империи / В. В. Бондаренко. — Минск: Харвест, 2010. — 448 с: 16 л. вкл.; Бондаренко В. В. Западный щит Российской империи/ В. В. Бондаренко. Вильнюс: «Институт военного наследия», 2015 — 328 с: ил.; Бондаренко В. В. Морской спецназ Первой мировой на Белорусской земле // Белорусская военная газета. 2009. 25 ноября. С. 4.
[6] https://wiki.lesta.ru/ru/Ольшевский,_Александр_Александрович
[7] Железнодорожная станция «Крулевщина» расположена в Докшицком районе Витебской области Беларуси. В 1914 году станция была переименована в Сеславино (в честь руководителя российского партизанского отряда и героя войны 1812 года Сеславина Александра Никитича).
[8] Приказ по речной флотилии ОМБОН № 187 от 26 октября 1916 г. г. Мозырь
[9] Приданников М.И. Катера Службы связи Балтийского флота // Судостроение. 2018. № 4. С. 69-75
[10] Российский Государственный архив Военно-морского флота. Фонд: №418, Морской Генеральный штаб г. Петроград (1906-1918) Опись: №1 т.1, Оперативный отдел (1906-1917 г.г.). Дело №892. Об организации Пинской речной флотилии.
[11] Там же л. 87.
[12] Там же л. 15.
[13] ЦГИА СПб. Фонд 2005. Опись 1. Дело 74. Чертежи разведочных катеров, моторных катеров №№ 1 и 2 и моторного катера миноносца типа «Орфей».
[14] Черников И.И. Русские речные флотилии за 1000 лет (907-1917). / Санкт-Петербург, Издательство: Б.С.К., 1999, 122 с.
[15] Это были листы толщиной 5 мм или 6 мм и размерами 4 на 24 фута или 4 на 20 футов. Причем в документе отмечалось, что стойкость судостроительной стали в 2 раза хуже броневой.
[16] Это были 30 больших полотнищ стальных щитов системы Генерал-майора Розенберга размерами 1,1 на 0,85 метра и 20 щитов к 37 мм траншейным пушкам размерами 0,55 на 1 метр.
[17] Дозорные бронекатера русского Военного ведомства. // Журнал «Морская Коллекция» № 7 2010 г.; М. Моделист-конструктор. 34 стр.
[18] Российский Государственный Военно-исторический архив. Фонд: №2048, Штаб главнокомандующего армиями Западного фронта. Опись: №1, Управление генерал-квартирмейстера штаба главнокомандующего армиями Западного фронта. Дело №171. Морской полк № 18.
[19] Там же с. 187.
[20] В 3-й группе катеров речной флотилии не хватало ещё одного офицера, поэтому 2 группу катеров младший офицер 3-й минно-подрывной роты минного полка ОМБОН подпоручик по адмиралтейству Домашевский Константин Константинович.
[21] В то время корпусом командовал генерал-лейтенант Торклус Федор-Эмилий-Карл Иванович.
[22] На карте эта деревня указана как застенок Борове.
[23] 23 пехотного Низовского генерал-фельдмаршала Графа Салтыкова полка.
[24] Пацан Никита Карпович — ефрейтор 23-го пехотного Низовского полка. Место рождения Киевская губ., Киевский уезд, Петровская вол., с. Петровкцы. 12 июля 1916 года был ранен.
[25] Полное название части 10-й Лотарингский пехотный полк № 174 (10. Lothringisches Infanterie-Regiment Nr. 174). Этот полк является 10-м пехотным полком из округа Лотарингия Имперского графства Эльзас-Лотарингия и 174-м пехотным полком Германской империи. Входил в состав 31-й пехотной дивизии XXI Армейского корпуса.
[26] Приказ по 15 армейскому корпусу № 223 от 10 июля 1916 года.
[27] https://wiki.lesta.ru/ru/Свободин, Ювеналий Петрович
Немецкие моторные катера на фотографиях из альбома Отто Фаузера
__________________





































